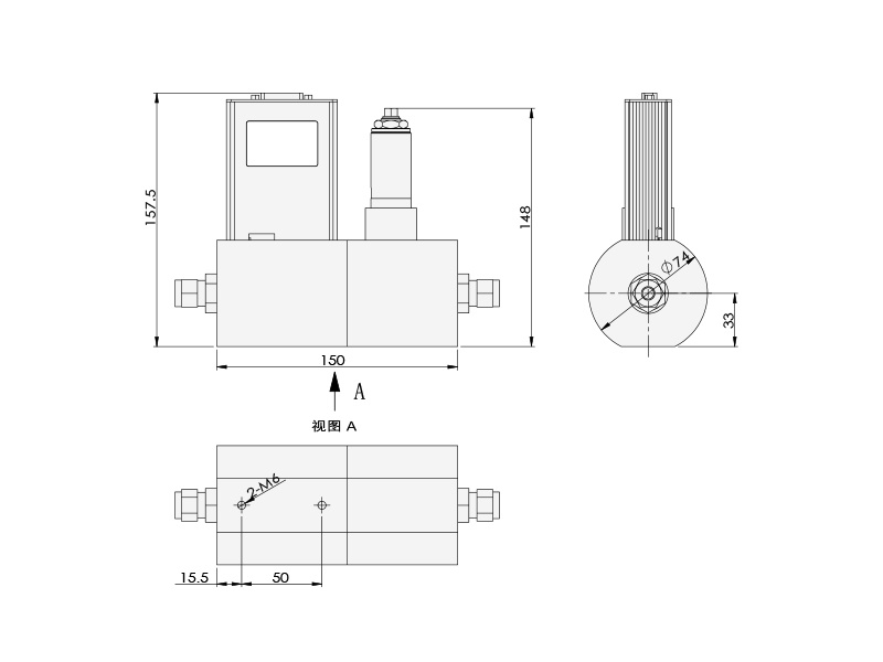
ACU10P-LC尺寸图
ACU10P系列
ACU10P系列压力控制器/压力计为直通式设计,测量范围从100KPa到10MPA(绝压和表压皆可)。此外,还提供差压变送器。
所属分类:
产品描述
- 产品描述
-
一、产品概述
ACU10P系列压力控制器/压力计为直通式设计,测量范围从100KPa到10MPA(绝压和表压皆可)。此外,还提供差压变送器。该系列仪表精确度高、重复性好,分为前压控制和背压控制两种。
ACU10P系列标配一个压电膜片式压力传感器和数字电路板,提供高精度、稳定、可靠的压力测量和控制。该基本数字PC板具有测量和控制所需的所有基本功能。除了配备标准的RS485输出信号,ACU10P还提供模拟I/O信号。

(压力控制器)
二、产品应用
ACU10P压力控制器可装配一体式控制阀或分体式控制阀。它是一种比例式电磁控制阀,具有超快和平稳控制的特性。我们有不同系列的控制阀对应特定的应用领域。常规应用下,使用标准的直动阀,高流速应用下,使用先导阀。 应用领域:半导体工艺,气相和液相色谱仪,MOCVD过程中蒸汽压力控制,挤塑成型过程中气体压力保护控制,高压釜/反应釜压力控制等。
三、产品参数
系列 ACU10P 型号 LC LM MC MM BC BM 预热时间 忽略不计 准确度 ±1.0%F.S 重复性 ≤0.1% 工作差压 0.05-0.5MPa(特殊可定制) 传感器响应时间 0.2s 量程比 20:1 50:1 20:1 50:1 20:1 50:1 典型响应时间 200 毫秒(可调整) 模拟量 0~5V、4~20mA 数字量 RS232/485,MODBUS协议 供电 24VDC 运行温度 -10~+70℃ 温度敏感性 0.1%FS/℃ 方位影响度 (90°变化) <0.03 KPa(绝压/表压传感器) <0.6 KPa(差压传感器) 电气连接 DB15孔 防护等级 IP40 漏率 1×10-9Pa m³/S 阀门 阀门长闭 / 阀门长闭 / 阀门长闭 / 底座材质 不锈钢 密封材质 氟橡胶,丁腈橡胶,三元乙丙,全氟醚 表体螺纹 G3/8内螺纹 G1/2内螺纹 接头 卡套、宝塔、快插、VCR、法兰等 四、产品尺寸图
五、可选配套测控软件 (另外收取费用)
质量流量测控系统V5.0
关键词:
气体流量测控
获取报价
注意:请留下您的手机或邮箱,我们的专业人员会尽快与您联系!













